Vcolor 368 L - EVCML36DJ2E - Four électrique pour gastronomie

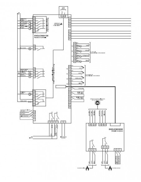
EVCLC36DJ2E

Dispositifs de contrôle pour fours combinés pour la gastronomie et la pâtisserie, avec afficheur graphique TFT tactile en couleur de 5 ou 7 pouces, dans la version splittée

Dispositifs de contrôle avec afficheur graphique de 7 pouces

Dimension: Splittée

Alimentation: 12 VAC 

Entrées sondes: 4

Entrées 1/0: 7

Sortie analogique 0-10V: 1 

Relais: 13

NOTICE Vcolor 368

Description

Les dispositifs de contrôle de la série Vcolor 368 M L gèrent les fonctions les plus avancées prévues des fours combinés pour la gastronomie et la pâtisserie. Grâce à des modules complémentaires optionnels, il est possible de contrôler aussi des fours dotés de chaudière externe et de brûleurs à gaz.
Leur plate-forme programmable innovante permet également à l’OEM, en toute autonomie et sans utiliser de logiciel ou de matériel supplémentaires, une personnalisation avancée des graphiques de l'interface utilisateur, l'insertion des recettes avec des photos de haute qualité et l'ajout de nouvelles langues de consultation de la machine.
Disponibles dans la version 5 ou 7 pouces avec afficheur graphique TFT tactile capacitif en couleur, ils peuvent être installés au ras du panneau pour une intégration parfaite avec le design de l’unité.
Regardez le tutoriel vidéo pour personnaliser les recettes, les graphiques et les langues : https://www.youtube.com/watch?v=_CH0xvtvy0M.

Détails du produit

Alimentation
12 VAC/DC
Entrée sonde - N°1
7) Sonde cellule J/K
Entrée sonde - N°2
1) Sonde à piquer (J/K)
Entrée sonde - N°3
Sonde de réduction des fumées (J/K)
Entrée sonde - N°4
Sonde chaudière (J/K)
Entrée numérique (on/off) - N°1
1) Micro-interrupteur porte
Entrée numérique (on/off) - N°2
Fin de course de rotation du chariot
Entrée numérique (on/off) - N°3
Protection thermique du ventilateur (230VAC)
Entrée numérique (on/off) - N°4
Protection thermique (230 VAC)
Entrée numérique (on/off) - N°5
Absorption électrique (230 VAC)
Entrée numérique (on/off) - N°6
Niveau maximum d'eau dans la chaudière
Entrée numérique (on/off) - N°7
Niveau minimum d'eau dans la chaudière
Sortie analogique N°1
0-10 V (ventilateur)
Sortie relais - N°1
5) Réglage de la température - 1 A
Sortie relais - N°1 (à ne pas utiliser)
Réglage de la température - 1 A
Sortie relais - N°2
3) Injection de buée - 1A
Sortie relais - N°3
1) Oura - 1 A
Sortie relais - N°4
1) Eclairage - 1 A
Sortie relais - N°5
Ventilateur du local technique - 1 A
Sortie relais - N°6
Rotation chariot - 1 A
Sortie relais - N°7
Défaut ventilateur - 1 A
Sortie relais - N°8
Défaut pas utilisé - 1 A
Sortie relais - N°9
Défaut réduction des fumées - 1 A
Sortie relais - N°10
Défaut vanne de l'eau de lavage - 1 A
Sortie relais - N°11
Défaut injection du détergent liquide de lavage
Sortie relais - N°12
défaut vidange liquide de lavage - 1A
Sortie relais - N°13
défaut injection produit de rinçage / lavage
Port de communication
RS-485 Modbus
USB
Autres caractéristiques : N°1
horloge intégrée
N°2
vibreur sonore d'alarme

Reviews

No reviews
Product added to wishlist
Product added to compare.

Ce site utilise des cookies pour vous fournir le meilleur service possible. Si vous continuez à naviguer, vous acceptez l'utilisation de cookies.

Politique de confidentialité