Les dispositifs de contrôle de la série Vcolor 368 M L gèrent les fonctions les plus avancées prévues des fours combinés pour la gastronomie et la pâtisserie. Grâce à des modules complémentaires optionnels, il est possible de contrôler aussi des fours dotés de chaudière externe et de brûleurs à gaz.
Leur plate-forme programmable innovante permet également à l’OEM, en toute autonomie et sans utiliser de logiciel ou de matériel supplémentaires, une personnalisation avancée des graphiques de l'interface utilisateur, l'insertion des recettes avec des photos de haute qualité et l'ajout de nouvelles langues de consultation de la machine.
Disponibles dans la version 5 ou 7 pouces avec afficheur graphique TFT tactile capacitif en couleur, ils peuvent être installés au ras du panneau pour une intégration parfaite avec le design de l’unité.
Regardez le tutoriel vidéo pour personnaliser les recettes, les graphiques et les langues : https://www.youtube.com/watch?v=_CH0xvtvy0M.
Vcolor 368 L - EVCML36DJ2E - Four électrique pour gastronomie
                    
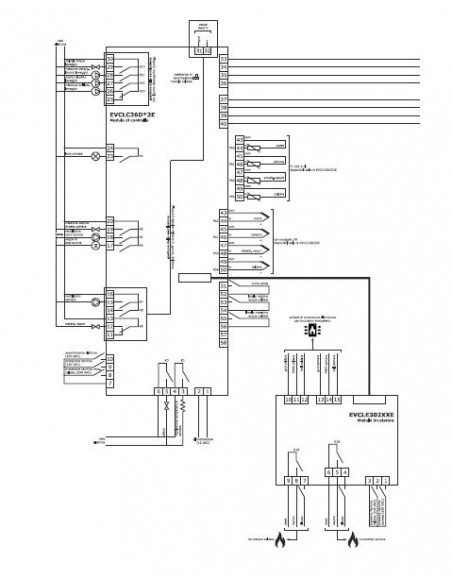
                    EVCLC36DJ2E
                
                                
        
            
        
            Dispositifs de contrôle pour fours combinés pour la gastronomie et la pâtisserie, avec afficheur graphique TFT tactile en couleur de 5 ou 7 pouces, dans la version splittée
Dispositifs de contrôle avec afficheur graphique de 7 pouces
Dimension: Splittée
Alimentation: 12 VAC
Entrées sondes: 4
Entrées 1/0: 7
Sortie analogique 0-10V: 1
Relais: 13
 NOTICE Vcolor 368
NOTICE Vcolor 368
Description
Détails du produit
- Alimentation
- 12 VAC/DC
- Entrée sonde - N°1
- 7) Sonde cellule J/K
- Entrée sonde - N°2
- 1) Sonde à piquer (J/K)
- Entrée sonde - N°3
- Sonde de réduction des fumées (J/K)
- Entrée sonde - N°4
- Sonde chaudière (J/K)
- Entrée numérique (on/off) - N°1
- 1) Micro-interrupteur porte
- Entrée numérique (on/off) - N°2
- Fin de course de rotation du chariot
- Entrée numérique (on/off) - N°3
- Protection thermique du ventilateur (230VAC)
- Entrée numérique (on/off) - N°4
- Protection thermique (230 VAC)
- Entrée numérique (on/off) - N°5
- Absorption électrique (230 VAC)
- Entrée numérique (on/off) - N°6
- Niveau maximum d'eau dans la chaudière
- Entrée numérique (on/off) - N°7
- Niveau minimum d'eau dans la chaudière
- Sortie analogique N°1
- 0-10 V (ventilateur)
- Sortie relais - N°1
- 5) Réglage de la température - 1 A
- Sortie relais - N°1 (à ne pas utiliser)
- Réglage de la température - 1 A
- Sortie relais - N°2
- 3) Injection de buée - 1A
- Sortie relais - N°3
- 1) Oura - 1 A
- Sortie relais - N°4
- 1) Eclairage - 1 A
- Sortie relais - N°5
- Ventilateur du local technique - 1 A
- Sortie relais - N°6
- Rotation chariot - 1 A
- Sortie relais - N°7
- Défaut ventilateur - 1 A
- Sortie relais - N°8
- Défaut pas utilisé - 1 A
- Sortie relais - N°9
- Défaut réduction des fumées - 1 A
- Sortie relais - N°10
- Défaut vanne de l'eau de lavage - 1 A
- Sortie relais - N°11
- Défaut injection du détergent liquide de lavage
- Sortie relais - N°12
- défaut vidange liquide de lavage - 1A
- Sortie relais - N°13
- défaut injection produit de rinçage / lavage
- Port de communication
- RS-485 Modbus
 USB
- Autres caractéristiques : N°1
- horloge intégrée
- N°2
- vibreur sonore d'alarme
Reviews
No reviews
                     
                         
                     
                     
                     
                 
                