Vcolor 348 est un dispositif de contrôle au design élégant pour la gestion de fours de type rotatif pour la panification et la pâtisserie.
Il est disponible dans la version splittée avec interface utilisateur composée d'un afficheur graphique TFT tactile capacitif en verre de 5 pouces (M) ou 7 pouces (L), 65000 couleurs, résolution 800 x 480 pixels et indice de protection IP65 pour faciliter le nettoyage.
Il peut piloter des ventilateurs « on/off » (à 1 ou 2 vitesses) ou modulants et est en mesure de gérer la rotation du chariot en mode automatique et manuel, avec une haute configurabilité.
Il permet la gestion complète de la buée (injection et évent), aussi bien de façon directe qu'à travers un module de chaudière externe en mesure de gérer également le remplissage et la vidange de l'eau et la génération de la buée. À travers l'utilisation d'un module de brûleur externe, on peut gérer des fours à gaz.
L'installation à l'arrière du panneau à l'aide de goujons prisonniers permet de positionner l'interface utilisateur au ras du panneau, pour une intégration parfaite avec le design de l'unité.
Vcolor 348 M & L - EVCMC34DJ2E - Fours électriques à pain et à pizza
                    
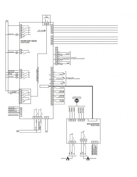
                    EVCMC34DJ2E
                
                                
        
            
        
            Dispositif de contrôle pour fours de type rotatif pour la panification et la pâtisserie, avec afficheur graphique TFT tactile en couleur de 5 ou 7 pouces, dans la version splittée
Dispositifs de contrôle avec afficheur graphique de 5 pouces
Dimension: Splittée
Alimentation: 12 VAC
Entrées sondes: 3
Entrées 1/0: 7
Relais: 9
 NOTICE EVCMC34DJ2E
NOTICE EVCMC34DJ2E
Description
Détails du produit
- Alimentation
- 12 VAC/DC
- Entrée sonde - N°1
- 7) Sonde cellule J/K
- Entrée sonde - N°2
- 5) Sonde de réduction des fumées (J/K)
- Entrée sonde - N°3
- Sonde chaudière (J/K)
- Entrée numérique (on/off) - N°1
- 1) Micro-interrupteur porte
- Entrée numérique (on/off) - N°2
- Fin de course de rotation du chariot
- Entrée numérique (on/off) - N°3
- Protection thermique du ventilateur (230VAC)
- Entrée numérique (on/off) - N°4
- Protection thermique (230 VAC)
- Entrée numérique (on/off) - N°5
- Absorption électrique (230 VAC)
- Entrée numérique (on/off) - N°6
- Niveau maximum d'eau dans la chaudière
- Entrée numérique (on/off) - N°7
- Niveau minimum d'eau dans la chaudière
- Sortie analogique N°1
- 0-10 V (ventilateur)
- Sortie relais - N°1
- 5) Réglage de la température - 1 A
- Sortie relais - N°2
- 3) Injection de buée - 1A
- Sortie relais - N°3
- 1) Oura - 1 A
- Sortie relais - N°4
- 1) Eclairage - 1 A
- Sortie relais - N°5
- Ventilateur du local technique - 1 A
- Sortie relais - N°6
- Rotation chariot - 1 A
- Sortie relais - N°7
- Rotation à gauche ventilateur - 1A
- Sortie relais - N°8
- Rotation à droite ventilateur - 1 A
- Sortie relais - N°9
- Vitesse ventilateur - 1 A
- Port de communication
- RS-485 Modbus
 TTL MODBUS pour clé de programmation EVKEY et pour d'autres produits EVCO.
- Autres caractéristiques : N°1
- horloge intégrée
- N°2
- vibreur sonore d'alarme
- N°3
- Gestion de la ventilation en modalité "on-off" et modulant
- N°4
- Fonction "mise sous tension programmée hebdomadaire"
- N°5
- Fonction "programmes"
Reviews
No reviews
                     
                         
                     
                     
                     
                 
                