EV3 MVC et EVD MVC sont des dispositifs de contrôle pour la gestion d'unités de ventilation mécanique pour le renouvellement et le traitement de l'air, en mesure de satisfaire les normes de plus en plus restrictives sur la qualité de l'air et sur la certification énergétique des édifices.
La gestion indépendante du ventilateur de refoulement et d'extraction (aussi bien de type modulant EC qu'à plusieurs vitesses) permet une distribution optimale des flux dans n'importe quelle situation. Le confort ambiant en termes de température et humidité s'obtient grâce à la capacité de gérer différents types de récupérateurs de chaleur (avec fonctions « free cooling » et « free heating ») et de sources de chauffage/refroidissement.
EVCO propose la solution MVC aussi bien dans la version compacte EV3 (12 VAC et installation sur panneau) que dans la version splittée EVD (115... 230 VAC et installation sur rail DIN). Dans les deux cas, il est possible de raccorder, selon vos besoins, l'élégante interface utilisateur à distance EVJ LCD (installation au mur) ou l'interface EV3K11 avec profondeur réduite (installation sur panneau).
Dotée de 6 touches de type capacitif et d'un module de communication Bluetooth BLE optionnel, EVJ LCD permet à l'utilisateur final un contrôle simple et intuitif de l'unité grâce à l'APPLI EVcontrol prévue à cet effet pour la plate-forme iOS, qui transforme votre smartphone ou tablette en une télécommande évoluée.
Configuration de l'E/S
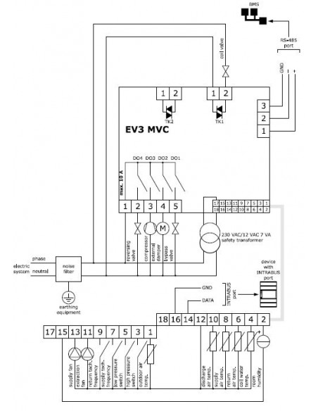
| Le tableau suivant illustre un exemple de configuration prête à l'emploi pour des unités de ventilation mécanique contrôlée pour le renouvellement de l'air avec récupérateur de chaleur à flux croisés. | 
| EV3 MVC | EVD MVC | ||
| ENTRÉES ANALOGIQUES | |||
| IN1 | Humidité ambiante | • | • | 
| IN2 | Température eau batterie | • | • | 
| IN3 | Température air de reprise | • | • | 
| IN4 | Température air de refoulement | • | • | 
| IN5 | Température air d'expulsion | • | • | 
| IN10 | Température air extérieur | • | • | 
| ENTRÉES NUMÉRIQUES | |||
| IN6 | Fréquence tachymétrique reprise | • | • | 
| IN7 | Fréquence tachymétrique refoulement | • | • | 
| IN8 | Pressostat de pression minimale | • | • | 
| IN9 | Pressostat de pression maximale | • | • | 
| SORTIES ANALOGIQUES | |||
| AO1 | Ventilateurs refoulement | • | • | 
| AO2 | Ventilateurs extraction | • | • | 
| SORTIES NUMÉRIQUES (relais électromécaniques ; A rés. à 250 VAC) | |||
| DO1 | Vanne de dérivation | • | • | 
| DO2 | Vanne externe | • | • | 
| DO3 | Compresseur | • | • | 
| DO4 | Vanne d'inversion | • | • | 
| SORTIES NUMÉRIQUES (triac ; A rés. à 250 VAC) | |||
| TK1 | Vanne batterie | • | |
| TK2 | Non utilisé | X | |
| SORTIES NUMÉRIQUES (collecteur ouvert) | |||
| OC1 | Vanne batterie | • | |
 
                         
                     
                     
                     
                 
                 
                 NOTICE EV3936LM2GF
NOTICE EV3936LM2GF