La série de dispositifs de contrôle EV3 400 est conçue pour tous les domaines industriels où la précision de la régulation de la température est primordiale.
Parfaits pour divers procédés de production grâce à l’entrée analogique multi-capteur, les dispositifs de contrôle ont jusqu'à 3 sorties numériques et 1 sortie analogique, dont le signal peut être une fonction de la régulation, plutôt que proportionnel à la valeur détectée par l'entrée analogique. La régulation peut être de type on/off ou PID (avec auto-tuning).
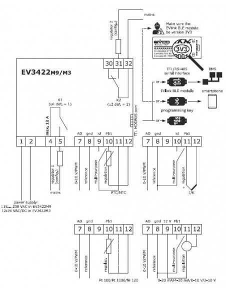
Le module externe EVlink avec connectivité Bluetooth BLE habilite l'accès depuis un smartphone Android à travers l’Appli EVconnect, qui permet la configuration, le téléchargement et l'échange de données et de cartes de paramètres.
Le format est standard 74 x 32 mm, les touches sont de type capacitif et le panneau frontal a une surface continue avec un indice de protection IP65.
EV3422M3 - Automatisation
                    
                    EV3422M3
                
                                
        
            
        
            La série de dispositifs de contrôle EV3 400 est conçue pour tous les domaines industriels où la précision de la régulation de la température est primordiale.
Dimension: 74 x 32 mm
Alimentation: 12/24 VAC/DC
Entrées sondes: 1 Multifonction
Entrées On/off: 1
Relais: 2 (16 - 8 A)
Sortie analogique: 1
 NOTICE EV3422M3
NOTICE EV3422M3
Description
Détails du produit
- Alimentation
- 12 -24 VAC/DC
- Entrée sonde - N°1
- 1) Sonde cellule NTC  - 
 2) Sonde cellule PTC
 3) ou sonde cellule Pt1000
 4) ou sonde cellule 0/20 mA ou 4/20 mA
 5) ou sonde cellule 0-5V/ratiométriques
- Entrée numérique (on/off) - N°1
- Multifonction
- Sortie analogique N°1
- 0-10 V (ventilateur)
 PWM (compresseur)
- Sortie relais - N°1
- 1) Charge - 5 A 
 2) Charge - 8 A
 3) Charge - 16 A
- Sortie relais - N°2
- 1) Charge - 5 A 
 2) Charge - 8 A
- Port de communication
- Port série TTL Modbus
- Autres caractéristiques : N°1
- vibreur sonore d'alarme
- N°2
- Régulation on-off / PID
- N°3
- régulation PID avec auto-tunning
Reviews
No reviews
                     
                         
                     
                     
                