EV3223N7ERXRS - Îlots réfrigérés

EV3223N7ERXRS

Dispositifs de contrôle de base pour réfrigérateurs à boissons, armoires, tables réfrigérées et comptoirs de pizzeria, avec des stratégies pour les économies d'énergie

Dimension: 74 x 32 mm

Alimentation: 230 VAC

Entrées sondes: 2

Entrées 1/0: 1

Entrées configurables: 0

Relais: 3 (16A, 8A, 5A)

NOTICE EV3223N7

Description

EV3 200 est une gamme de dispositifs de contrôle pour la gestion optimisée et à haute efficacité énergétique d'unités réfrigérées à température normale, basse, statique ou ventilée. Compacte et de design (74 x 32 mm sur panneau, 4 touches tactiles de type capacitif, IP65), la gamme comprend des thermorégulateurs Basic, des dispositifs de contrôle Standard dotés de port RS-485 et des dispositifs de contrôle compatibles avec l'APPLI EVconnect.
Les stratégies adoptées pour l'économie d'énergie, telles que le dégivrage adaptatif et l'adaptation des points de consigne, s'unissent aux fonctions de protection du compresseur et à la possibilité de piloter des compresseurs à haute puissance (jusqu'à 2 HP) sans l'utilisation de matériel additionnel (dans les modèles avec relais électromécanique de 30 A rés. à 250 VAC).
À travers le port TTL, il est possible de brancher des modules plug-in optionnels alimentés par le même dispositif de contrôle. Un module avec horloge est disponible pour activer les fonctions élémentaires liées au temps réel (dégivrage RTC et enregistrement 9 alarmes), tandis que pour les fonctions avancées relatives à la traçabilité des données HACCP, avec les modèles EV3292 et EV3294, est disponible une interface Bluetooth BLE 4.0 (EVlink) avec visualisation des données et accès à la machine depuis des dispositifs mobiles. L'Horloge et le Bluetooth sont disponibles également dans la version intégrée.
Grâce à l'APPLI EVconnect (compatible avec les dispositifs Android 4.4 ou versions ultérieures), les smartphones et les tablettes deviennent ainsi un outil pratique sur lequel visualiser les graphiques et les alarmes en temps réel et télécharger l'historique des données, avec la possibilité de transfert via e-mail. En saisissant un code d'accès, il sera également possible d'intervenir sur la configuration de l'unité réfrigérée, en rendant ainsi EVconnect un outil moderne et indispensable pour un service qualifié.

Détails du produit

Application
Froid négatif
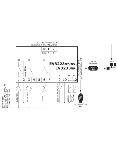
Connexions EV3
Bornier à vis extractible
Alimentation
230 VAC
Entrée sonde - N°1
1) Sonde cellule NTC -
2) Sonde cellule PTC
Entrée sonde - N°2
3) Sonde auxiliaire (PTC/NTC)
Entrée numérique (on/off) - N°1
1) Micro-interrupteur porte
2) Micro-interrupteur multifonction
Sortie relais - N°1
1) Compresseur 16A
Sortie relais - N°2
1) Dégivrage 8 A
Sortie relais - N°3
4) Ventilateur de l'évaporateur - 5 A
Port de communication
RS-485 Modbus
Autres caractéristiques : N°1
horloge intégrée
N°2
vibreur sonore d'alarme
N°3
Fonctionnement avec EV3KEY
N°4
fonction refroidissement rapide
N°5
fonction “économies d'énergie”
N°6
gestion adaptative du dégivrage
N°7
fonctionnement pour le froid/le chaud

Documents joints

Reviews

No reviews
Product added to wishlist
Product added to compare.

Ce site utilise des cookies pour vous fournir le meilleur service possible. Si vous continuez à naviguer, vous acceptez l'utilisation de cookies.

Politique de confidentialité