C pro 3 Nano Plus EPN3LXP - Dispositifs de contrôle programmables

C-Pro EPN3LXP

c-pro 3 Nano Plus est une gamme de dispositifs de contrôle programmables pour des applications appartenant au secteur de la réfrigération et de la climatisation.

Entrées sondes:  9

Entrées contact: 5

A contact sec et pour trains d'impulsions jusqu'à 2  Khz: 2

A contact sec: 3

Sorties analogiques:

PWM/0-10 V/Coupure de phase: 2

0-20 mA/4-20 mA/0-10 V: 2 

Sorties :

3 A SPST: 7 

NOTICE Nano Plus

Description

c-pro 3 nano est une gamme de dispositifs de contrôle programmables extra-small avec de nombreuses entrées et sorties (jusqu'à 25) et une grande capacité de mémoire pour répondre aux exigences de gestion du secteur HVAC/R, notamment pour les OEM.

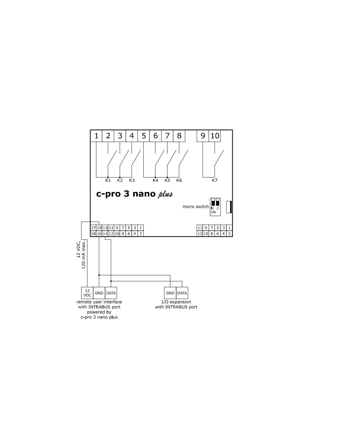
Aussi bien dans les versions avec port CAN que dans celles avec port propriétaire INTRABUS, il est possible d'accroitre le nombre d'E/S grâce à l'ajout d'extensions. De plus, le protocole CAN permet à c-pro 3 nano de s'intégrer à toute la famille de dispositifs de contrôle et afficheurs de la série c-pro 3.

L'option MODBUS RTU, avec interface externe, est toujours disponible dans les deux formats maitre et esclave ; c-pro 3 nano plus, grâce à la RS-485 fournie, permet une présence simultanée de 2 protocoles MODBUS.

Le logiciel d'application est réalisable de manière intuitive, simple et portable avec l'environnement de développement graphique à objets UNI-PRO 3. Grâce au port USB de série, le dispositif de contrôle s'avère facilement programmable en phase de développement et de débogage et peut être mis à jour à travers les clés USB les plus communes.

Le design élégant et le format compact (74 x 32 mm) en font un dispositif de contrôle idéal pour l'installation sur panneau. L'interface utilisateur, dotée de double afficheur LED (4 + 4 caractères), icônes de fonction et 4 touches tactiles de type capacitif, a un indice de protection IP65.

Détails du produit

Alimentation
12 -24 VAC/DC
Type de connexions
Connecteurs Micro-Fit
borniers à vis amovibles
Entrées PTC/NTC/Pt 1000 ou entrée ON/OFF
4
5
Entrées NTC/0-5 V ratiometric/0-10 V/0-20 mA/4-20 mA ou entrées ON/OFF
4
Entrées à contact sec et pour trains d'impulsions jusqu'à 2khz
2
Entrée contact sec
3
Sorties analogiques PWM/0-10V
2
Sorties analogiques 0-20 mA/ 4-20 mA/ 0-10V
1
2
Sorties relais 3A SPST
4
5
6
7
Ports de communication RS-485 MODBUS Master/Slave
1
Port de communication Intrabus
1
Ports de communication CAN CANBUS
1
Port de communication USB
1

Documents joints

Reviews

No reviews
Product added to wishlist
Product added to compare.

Ce site utilise des cookies pour vous fournir le meilleur service possible. Si vous continuez à naviguer, vous acceptez l'utilisation de cookies.

Politique de confidentialité